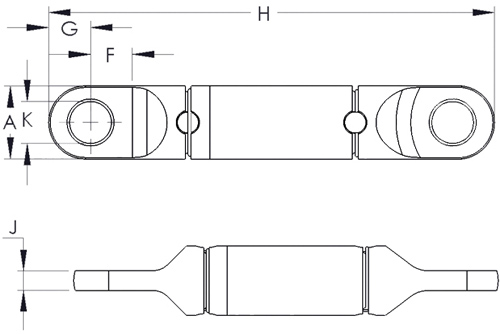
The wire breakaway connector is our most recent addition to our family of breakaway connectors. This connector uses a wire instead of a pin to achieve the smallest of break loads. The two-piece design ensures you don’t lose parts of your connector when separation does occur, and the product is manufactured from stainless steel to provide years of service.
Wire kits are sold separately in packs of 10.
| Part No. | A | B | C | D | E | F | G | H | J | K | Use Wire Series: | Weight |
|---|---|---|---|---|---|---|---|---|---|---|---|---|
| 00531-010 | 7/8" | - | - | - | - | 1/2" | 1/2" | 5-1/3" | 1/4" | 1/2" | 00536 | 0.51 lbs. |
Note: Marine grade versions are available; made to order.
| Part No. (10 wires/kit) |
Breaking Point (+/- 10%) |
Color Code |
|---|---|---|
| 00536-015 | 15 lbs. | Yellow |
| 00536-022 | 22 lbs. | Orange |
| 00536-040 | 40 lbs. | White |
| 00536-050 | 50 lbs. | Brown |
| 00536-065 | 65 lbs. | Green |
| 00536-080 | 80 lbs. | Purple |
| Part No. (10 wires/kit) |
Breaking Point (+/- 10%) |
Color Code |
|---|---|---|
| 00536-100 | 100 lbs. | Red |
| 00536-120 | 120 lbs. | Blue |
| 00536-130 | 130 lbs. | Beige |
| 00536-140 | 140 lbs. | Turquoise |
| 00536-150 | 150 lbs. | Black |
| 00536-185 | 185 lbs. | Pink |
| 00536-200 | 200 lbs. | Grey |
A wire sampler kit with a breaking point range of 40 lbs. to 120 lbs. is also available. It includes the following wire part numbers (3 each):
These products are typically used during the installation of fiber optic cable or very small gas ducting where the connector can be preset to breakaway at a predetermined load, thus protecting the fibers or the duct. The breakaway pins may be changed to allow the same connector or swivel to be used with a variety of different breakaway pins. *Uses 00535 & 00555 series pins.
| Part No. | A | B | C | D | E | F | G | H | J | K | Use Pin Series: | Weight |
|---|---|---|---|---|---|---|---|---|---|---|---|---|
| 00530-005 | 5/8" | 9/32" | 7/32" | 3/16" | 9/32" | 2-1/8" | - | - | - | - | Group A | 0.10 lbs. |
| 00530-010 | 7/8" | 3/8" | 5/16" | 31/32" | 7/16" | 1/2" | 1/2" | 3-1/8" | 1/4" | 1/2" | Group B | 0.25 lbs. |
| 00530-020 | 1-1/4" | 17/32" | 3/4" | 13/32" | 9/16" | 5-1/16" | - | - | - | - | Group C | 1.03 lbs. |
Note: Marine grade versions are available; made to order.
| Part No. (10 pins/kit) |
Breaking Point (+/- 10%) |
Color Code |
|---|---|---|
| 00555-00125 | 125 lbs. | Green |
| 00555-0015 | 150 lbs. | Black |
| 00555-002 | 200 lbs. | White |
| 00555-003 | 300 lbs. | Purple |
| 00555-0034 | 340 lbs. | Red |
| 00555-004 | 400 lbs. | Yellow |
| 00555-0045 | 450 lbs. | Blue |
| 00555-006 | 600 lbs. | Orange |
| 00555-007 | 675 lbs. | Black |
| Part No. (10 pins/kit) |
Breaking Point (+/- 10%) |
Color Code |
|---|---|---|
| 00535-002 | 200 lbs. | White |
| 00535-004 | 400 lbs. | Yellow |
| 00535-005 | 500 lbs. | Green |
| 00535-006 | 600 lbs. | Orange |
| 00535-006S | 600 lbs. | Blue |
| 00535-008 | 800 lbs. | Grey |
| 00535-008S | 800 lbs. | Black |
| 00535-010 | 1,000 lbs. | Red |
| Part No. (5 pins/kit) |
Breaking Point (+/- 10%) |
Color Code |
|---|---|---|
| 00555-013 | 1,370 lbs. | White |
| 00555-018 | 1,800 lbs. | Green |
| 00555-020 | 2,000 lbs. | Blue |
| 00555-027 | 2,700 lbs. | Black |
| 00555-036 | 3,600 lbs. | Yellow |
| 00555-040 | 4,000 lbs. | Red |
| Other custom sizes up to 4000 lbs. max. | ||
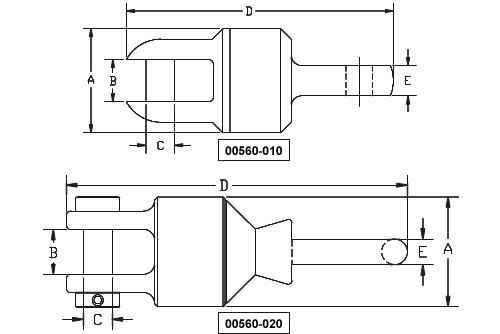
These products are designed to protect polyethylene ducting from overload during installation by directional drilling and are used between the pullback swivel and the duct puller. The connectors are a three part product, held together by a group of pins. The pins are designed to break in tension at a specific load. *Uses 00565 series pins.
| Part No. | A | B | C | D | E | Weight | Use Pin Series |
|---|---|---|---|---|---|---|---|
| 00560-010 | 2-1/2" | 1" | 11/16" | 6-1/2" | 3/4" | 4 lbs. | 00565 |
| 00560-020 | 3-3/4" | 1-1/2" | 1" | 12" | 7/8" | 15 lbs. | 00565 |
Note: Also available in Marine Grade Stainless Steel (00560-010S and 00560-020S).
| Part No. (5 pins/kit) |
Breaking Point (+/- 5%) |
Color Code | Maximum Torque |
Preload |
|---|---|---|---|---|
| 00565-015 | 150 lb | Black/Red | 0.21 ft-lb | 50 lb |
| 00565-025 | 250 lb | Brown | 0.25 ft-lb | 60 lb |
| 00565-030 | 300 lb | Black/Orange | 0.33 ft-lb | 80 lb |
| 00565-040 | 400 lb | Gray | 0.54 ft-lb | 130 lb |
| 00565-070 | 700 lb | Green/Orange | 1.8 ft-lb | 420 lb |
| 00565-075 | 750 lb | Yellow | 2 ft-lb | 540 lb |
| 00565-100 | 1,000 lb | Orange | 3 ft-lb | 720 lb |
| 00565-150 | 1,500 lbs. | Red | 4 ft-lb | 980 lb |
| 00565-200 | 2,000 lbs. | Blue | 6 ft-lb | 1,360 lb |
| 00565-250 | 2,500 lbs. | Green | 7 ft-lb | 1,700 lb |
For charts showing how to combine pins to obtain break loads from 750 lbs. to 12,500 lbs, view this PDF.
| Part No. (5 pins/kit) |
Breaking Point (+/- 5%) |
Color Code | Maximum Torque |
Preload |
|---|---|---|---|---|
| 00566-030 | 300 kg | White | 2.71 Nm | 199 kg |
| 00566-040 | 400 kg | Beige | 4.07 Nm | 272 kg |
| 00566-050 | 500 kg | Turquoise | 4.07 Nm | 335 kg |
| 00566-100 | 1,000 kg | Purple | 8.13 Nm | 635 kg |
| 00566-120 | 1,200 kg | Black | 9.49 Nm | 743 kg |
For charts showing how to combine pins to obtain break loads from 300 kg to 6,000 kg, view this PDF.
| Part No. (5 pins/kit) |
Breaking Point (+/- 5%) |
Color Code | Maximum Torque |
Preload |
|---|---|---|---|---|
| 00565-300 | 3,000 lbs. | Yellow | 12 ft-lb | 1,853 lb |
| 00565-300S | 3,000 lbs. | Brown | 12 ft-lb | 1,853 lb |
| 00565-600 | 6,000 lbs. | Orange | 23 ft-lb | 3,680 lb |
| 00565-700 | 7,000 lbs. | Red | 26 ft-lb | 4,160 lb |
| 00565-800 | 8,000 lbs. | Blue | 30 ft-lb | 4,800 lb |
| 00565-900 | 9,000 lb | Green | 33 ft-lb | 5,280 lb |
For charts showing how to combine pins to obtain break loads from 3,000 lbs. to 45,000 lbs, view this PDF.
| Part No. (5 pins/kit) |
Breaking Point (+/- 5%) |
Color Code | Maximum Torque |
Preload |
|---|---|---|---|---|
| 00566-200 | 2,000 kg | White | 24.40 Nm | 1,306 kg |
| 00566-250 | 2,500 kg | Beige | 31.18 Nm | 1,669 kg |
| 00566-300 | 3,000 kg | Turquoise | 35.25 Nm | 1,886 kg |
| 00566-350 | 3,500 kg | Purple | 37.96 Nm | 2,032 kg |
| 00566-400 | 4,000 kg | Black | 42.03 Nm | 2,249 kg |
For charts showing how to combine pins to obtain break loads from 3,000 kg to 20,000 kg, view this PDF.